Základní hardwarová úprava routeru
Pokud chceme s routerem Edimax 6104 dělat cokoliv jiného, než k němu po vybalení z krabice pouze připojit dráty a používat ho s jeho původním firmwarem k původnímu účelu, musíme na něm udělat alespoň drobné hardwarové úpravy.
Nemusím snad zdůrazňovat, že tím router pochopitelně ztrácí záruku a že veškerá zodpovědnost za případné poničení neopatrným zacházením leží na tom, kdo se v něm šťoural. Na druhou stranu jeho cena není až tak astronomická a hlavně při rozumném zacházení je pravděpodobnost poničení velmi malá.
Takže máte-li chuť vemte křížový šroubovák do ruky a hurá na úpravy. Co je vlastně třeba upravit? Router lze používat na mnoho různých způsobů. V nejjednodušším případě pouze jako router, ale s jinou verzí firmwaru (Linuxu). Ve složitějším pak jako kus hardwaru, na kterém běží Linux a který poskytuje 5 síťových rozhraní a více než 10 vstupně výstupních linek, kterými lze něco ovládat, sledovat nebo s něčím komunikovat.
V každém případě je ovšem potřeba do routeru nahrát jiný Linux, než jaký je tam od výrobce a právě toho se týká první nutná úprava hardwaru. Firmware se totiž do routeru nahrává pomocí jeho malého bootloaderu, který k tomu využívá sériového rozhraní UART. Procesor ADM5120 má dva porty UART, z nichž jeden je v routeru Edimax vyveden na plošném spoji na pady připravené pro připájení pinové lišty (2 x 4 pinů), kterou známe například z motherboardů počítačů.
![]() |
|
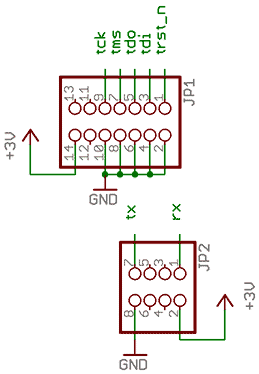
| Umístění konektorů na desce routeru a jejich zapojení při pohledu tak, jak je vidět na fotografii. |
Z obrázku je patrné, že na desce routeru jsou připravené dvě skupiny padů pro připojení dvou pinových lišt. Pady označené JP1 slouží pro připojení rozhraní JTAG, které při běžné práci s routerem nebudeme potřebovat. Nicméně pro úplnost uvádím i jeho zapojení tak, jak jsem ho vysledoval z desky.
Nás zajímá skupina padů označená jako JP2, které jsou na obrázku již osazené pinovou lištou. Je vidět, že na nich je vyvedeno vše, co budeme pro připojení sériového rozhraní potřebovat. Trošku nám práci komplikuje pouze fakt, že procesor ADM5120 používá k napájení napětí 3V (nebo nižší). Proto i na konektoru je vyvedeno 3V napájení a nikoliv naětí 5V, které se v routeru osazeném porty USB vyskytuje také.
Protože piny TX a RX pracují v TTL logice, je nutno jejich úrovně pomocí vhodného převodníku pro připojení k rozhraní COM počítače nejprve převést na úrovně RS232. Běžně sehnatelný převodník MAX232 nebo nějaký s ním kompatibilní pracuje s napájecím napětím 5V.
Jsou tedy dvě možnosti řešení. První je vyvést si na některý z nezapojených pinů konektoru JP2 5V napětí z destičky routeru. Nejlépe je asi dosažitelné na kontaktech SMD cívek L11 a L14 nacházejících se na desce mezi USB porty a oscilátorem 48MHz (použijte vývod cívky blíže k oscilátoru).
Druhou možností, kterou jsem použil já je využít sice ne tak běžný ale i tak poměrně snadno sehnatelný převodník MAX3232 určený pro napájení 3V.
Postup při úpravě
- Malým křížovým šroubováčkem povolte čtyři šroubky na spodní straně krabičky routeru (dva pod předními nožičkami a dva v otvorech pro zavěšení routeru).
- Sundejte spodní část krabičky (položte router na záda a lehce nadzvedněte spodek krabičky na zadní straně, kde jsou vyvedeny konektory. Pak spodek posuňte směrem k přední straně routeru. Vepředu jsou dvě plastové západky, které takto snadno a lehce uvolníte).
- Vyjměte destičku routeru. Pokud máte kvalitní odsávačku, můžete z padů JP2 odsát cín tak, abyste mohli osadit pinovou lištu. Ale destička je několikavrstvá a pájená bezolovnatou pájkou s vyšší teplotou tavení, takže s běžnou i relativně slušnou miropáječkou a pouze ruční pružinovou odsávačkou je to docela náročné (zejména u pinu GND, který je napojen na velké zemnící plochy, které teplo rychle odvádějí). Prováděl jsem tuto úpravu už u dvou routerů a po zkušenostech s prvním jsem u druhého raději zvolil odvrtání cínu vrtáčkem 0,8 mm a šlo to podstatně rychleji a lépe (jen je v takovém případě potřeba z desky pečlivě očistit cínové šponky, aby někde něco nezkratovaly).
- Vložte a připájejte pinovou lištu.
Převodník UART <-> RS232
Pro úplnost uvedu ještě moje řešení převodníku. Snažil jsem se ho navrhnout tak, aby byl co nejmenší a pohodlně se vešel do uzavřeného routeru. Nicméně časem jsem zjistil, že je pro mé účely zbytečné ho tam mít trvale osazený, takže dnes ho mám vyndaný a připojil bych ho jen, pokud bych potřeboval do routeru z nějakých důvodů nahrát jiný Linux. Vše ostatní se řeší prostřednictvím síťového připojení pomocí terminálu, FTP atd.
Z důvodů miniaturizace jsem použil SMD montáž (nicméně součástky ve velikosti 1206 aby se daly snadno ručně osadit). Také MAX3232 je v SMD provedení. Osmipinová dutinková lišta a jedna drátová propojka jsou jediné součástky osazená na destičce ze strany "součástek", SMD komponenty jsou pochopitelně ze strany "spojů". Piny 3 a 5 konektoru jsem na destičce převodníku zapojil pro případné připojení druhého UARTu, který je ovšem na desce routeru nezapojen a pro jeho zfunkčnění by bylo potřeba příslušné signály přímo z nožiček procesoru propojit na volné piny JP2.
Později jsem si druhý UART ale vyvedl na jiný konektor, což časem popíši v jiném článku.
Signál v úrovních RS232 je z pinů označených na destičce jako JP2 ohebným kablíkem připojen přímo na konektor CANON 9F shora:
- GND - CANON pin5
- TX - CANON pin3
- RX - CANON pin2
- v CANONU jsou navíc vzájemně propojené piny 1, 4, 6 a piny 7, 8
Soubory schématu, plošného spoje a seznamu součástek pro program Eagle najdete v příloze.
![]() |
![]() |
| Destička (v rozlišení 300 DPI) | Osazení (drátová propojka je modře) |
| Příloha | Velikost |
|---|---|
| 232router.zip | 17.44 KB |
- Verze pro tisk
- Pro psaní komentářů se musíte přihlásit
- 12038 x přečteno




